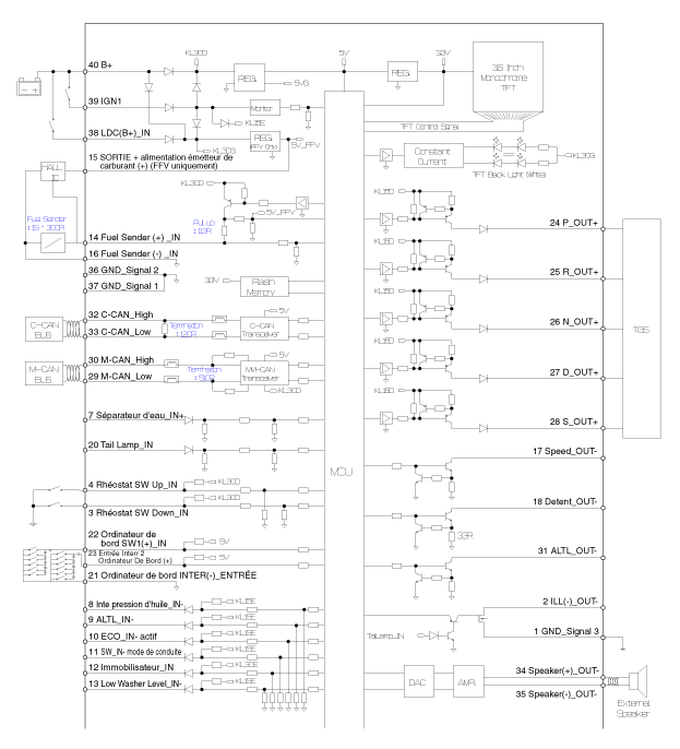
| Schéma du circuit |
| [Standard général] |


| [Supervision générale] |

Groupe d'instruments: Composants et emplacement des composants
Groupe d'instruments: Description et fonctionnementVolant inclinable/Colonne de direction télescopique
La colonne de direction inclinable vous permet d'ajuster la hauteur du volant
avant de conduire. Vous pouvez aussi soulever le volant pour avoir plus d'espace
pour les jambes en sortant et entrant dans le véhicule (si équipé).
Le volant devrait être réglé à une position confortable tout ...
Témoin d'alerte du système de frein antiblocage (ABS)
Ce témoin s'allume quand vous tournez la clé de contact sur ON et s'éteint après
environ 3 secondes, si le système fonctionne normalement.
Si le témoin ABS reste allumé, s'allume pendant que vous conduisez ou ne s'allume
pas quand vous tournez la clé de contact sur ON, cela signifie q ...