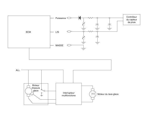
| Schéma du circuit |

À capteur de pluie: Composants et emplacement des composants
À capteur de pluie: Description et fonctionnementÀ module de contrôle de la boîte-pont (TCM): Procédures de réparation
Contrôle
1.
Contrôle de circuit de masse TCM: Mesurez la résistance entre TCM et
la masse du châssis. (Contrôlez la borne branchée à la masse du châssis
avec l'arrière du connecteur de faisceau ainsi que le point de contrôle
sur le côté ...
Condition et opération du système de détection d'occupant du passager avant
*1) Le système détecte la présence d'un adulte. Lorsqu'un adulte de plus petite
taille occupe le siège du passager avant, le système pourrait établir qu'il s'agit
d'un enfant selon sa taille et sa posture.
*2) Ne pas permettre à un enfant d'occuper le siège du passager avant. Lorsqu'u ...